Текущее время: 30 ноя 2025, 10:02

Часовой пояс: UTC + 3 часа




Начать новую тему Ответить на тему  [ Сообщений: 8 ] 
Автор Сообщение
СообщениеДобавлено: 30 ноя 2020, 05:10  Заголовок сообщения: Yashica Mat (Ремонт)
Не в сети
leica team
Аватара пользователя

Зарегистрирован: 10 окт 2006, 05:19
Сообщения: 1175
Откуда: Melbourne, Vic, Australia
Привет всем!
Волюю судеб пришла ко мне Яшика Мат, та что с Lumaxar объективом.
Интерес у меня к ней был давний, снимал именно этим аппаратом 35 лет назад, и сейчас ее хозяин мне ее можно сказать подарил.
За эти годы ею было отснято пара роликов, один из которых приехал ко мне в камере, я конечно его проявил, но разговор не о том.
На следующий день по прибытии я зарядил в нее ролик и отснял его как обычно, как тестовую пленку.
Результат : на весь ролин 5 кадров, меж ними большие пропуски.
Камеру вскрыл, обнаружил огромное количество грязи и пыли, все что мог почистить без полной разборки - почистил, но факт остался,
счетчик показывает первый кадр, потом начинаешь перематывать на следующий, что то в шестеренках щелкает, пленка протягивается дальше, но за что то что то зацепилось и рулетка встала.
Второй день смотрю Сеть, смотрю Youtube, много роликов и инструкций по ремонту затвора но нет ничего по ремонту лентопротяжного механизма.
Вопрос:
Может кто сталкивался с подобной проблемой?
Может кто знает где есть сервисный мануал на эту модель?
learncamerarepair смотртел, нам на эту модель нет ничего.
Или принципиально разницы нет и все начальные модели одинаковы?

_________________
Welcome:
http://www.facebook.com/alexander.kondakov
kondakoff.livejournal.com/


Вернуться к началу
 Профиль  
 
СообщениеДобавлено: 30 ноя 2020, 08:38  Заголовок сообщения:
Не в сети
Аватара пользователя

Зарегистрирован: 09 июн 2008, 18:21
Сообщения: 7782
Откуда: Воронеж
Есть у меня Яшика-Мат но с Yashinon ( Tessar- type) .
Разбирал,чистил,собирал..
Вложение:
Y-Mat r-side.jpg
Y-Mat r-side.jpg [ 305.85 КБ | Просмотров: 4895 ]


В личку мэйл сбросьте, я соберу фото разборки- как и что там стоит.
И отправлю кучей Вам .
Пригодиться.

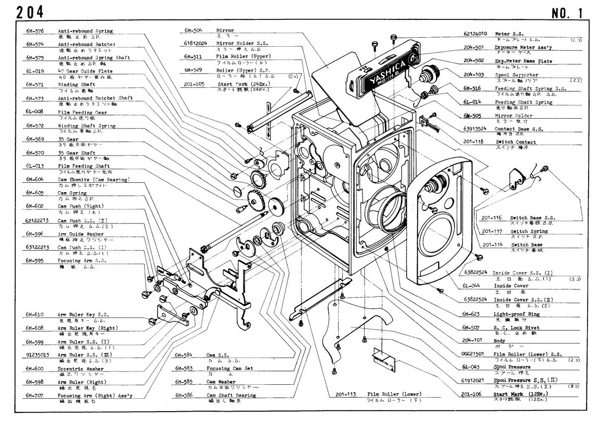
Не помню,насколько похож механизм с Yashica-Mat 124G , продал давно.
Но парт-лист на 124G есть в Сети

Вложение:
yashica-mat-124g -R-side.jpg
yashica-mat-124g -R-side.jpg [ 342.31 КБ | Просмотров: 4895 ]


Вернуться к началу
 Профиль  
 
СообщениеДобавлено: 30 ноя 2020, 13:20  Заголовок сообщения:
Не в сети
leica team
Аватара пользователя

Зарегистрирован: 10 окт 2006, 05:19
Сообщения: 1175
Откуда: Melbourne, Vic, Australia
Спасибо! Отправил в личку!

_________________
Welcome:
http://www.facebook.com/alexander.kondakov
kondakoff.livejournal.com/


Вернуться к началу
 Профиль  
 
СообщениеДобавлено: 14 фев 2021, 11:35  Заголовок сообщения:
Не в сети
Аватара пользователя

Зарегистрирован: 04 ноя 2014, 11:13
Сообщения: 1942
Откуда: мособласть
После падения камеры или соскочила, а может быть даже порвалась пружина затвора. При спуске затвора ламели затвора чуть дёргаются, но не открываются полностью. В общем, нужен квалифицированный ремонт.

Посоветуйте, пожалуйста, к кому обратиться в Москве и МО


Вернуться к началу
 Профиль  
 
СообщениеДобавлено: 14 фев 2021, 12:02  Заголовок сообщения:
Не в сети

Зарегистрирован: 12 ноя 2014, 18:11
Сообщения: 59
Откуда: Москва/ г. Ленинград
kyerdna писал(а):
Посоветуйте, пожалуйста, к кому обратиться в Москве и МО


Раньше был на свете этот товарищ: http://iceaxe2005.narod.ru/

Приводил в чувство Яшики и даже отвечал на письма иногда.

_________________
https://www.instagram.com/pavel_513/


Вернуться к началу
 Профиль  
 
СообщениеДобавлено: 14 фев 2021, 14:29  Заголовок сообщения:
Не в сети

Зарегистрирован: 12 апр 2013, 09:31
Сообщения: 1345
Откуда: Москва
По моему он в Питере.


Вернуться к началу
 Профиль  
 
СообщениеДобавлено: 14 фев 2021, 19:20  Заголовок сообщения:
Не в сети
Аватара пользователя

Зарегистрирован: 13 мар 2012, 09:16
Сообщения: 582
Откуда: Зеленоград
kerner писал(а):
По моему он в Питере.

Нет, Москва, м.Отрадное. Во всяком случае, было в 2014г :oops:


Вернуться к началу
 Профиль  
 
СообщениеДобавлено: 14 фев 2021, 21:19  Заголовок сообщения:
Не в сети
Admin
Аватара пользователя

Зарегистрирован: 13 ноя 2009, 23:42
Сообщения: 10622
Откуда: Атлантида
Обратись к нашему чкд alexenmoscu

_________________
http://pavel-vnukov.photographer.ru/


Вернуться к началу
 Профиль  
 
Показать сообщения за:  Поле сортировки  
Начать новую тему Ответить на тему  [ Сообщений: 8 ] 

Часовой пояс: UTC + 3 часа


Кто сейчас на форуме

Сейчас этот форум просматривают: нет зарегистрированных пользователей и гости: 5


Вы не можете начинать темы
Вы не можете отвечать на сообщения
Вы не можете редактировать свои сообщения
Вы не можете удалять свои сообщения
Вы не можете добавлять вложения

Найти:
Перейти:  
Купить Бокалы Spiegelau - официальный магазин.